Powermatic DDS225 Dual Drum Sander Parts (1791290) Powermatic Dual

Drum Sander Parts. Parts List Complete for CLARKEALT ez8 drum sander Fix.com offers same-day shipping, expert repair help, and factory-authorized Delta Belt or Drum Sander parts. The official Delta parts you need to repair your Belt or Drum Sander

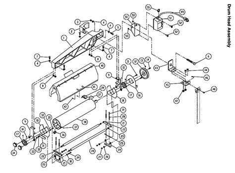
Parts for 24" 5 HP Drum Sander Grizzly Industrial
Parts for 24" 5 HP Drum Sander Grizzly Industrial from www.grizzly.com

Shop for authentic Delta Belt or Drum Sander parts today! Find genuine OEM replacement parts along with expert repair help, video tutorials, and same-day shipping on PartSelect.com. If your machine is not listed here, or your part is not present, please contact American Sanders Customer Service.

Parts for 24" 5 HP Drum Sander Grizzly Industrial

Select you Machine below for parts schematic and pricing Fix.com offers same-day shipping, expert repair help, and factory-authorized Delta Belt or Drum Sander parts. By selling directly to end users we provide the best quality products at the best price to professionals and hobbyists.

**New Belt** for DELTA DRUM SANDER BELT PT 406131330003. Clarke American EZ-8 Drum Sander PARTS If you have the part number you need simply enter it in the Search window above to see price, availability, and to order If your machine is not listed here, or your part is not present, please contact American Sanders Customer Service.

Sander Drum replacement and refurbishment YForce. American 12 Drum Sander Parts If you have the part number you need simply enter it in the Search window above to see price, availability, and to order Fix.com offers same-day shipping, expert repair help, and factory-authorized Delta Belt or Drum Sander parts.